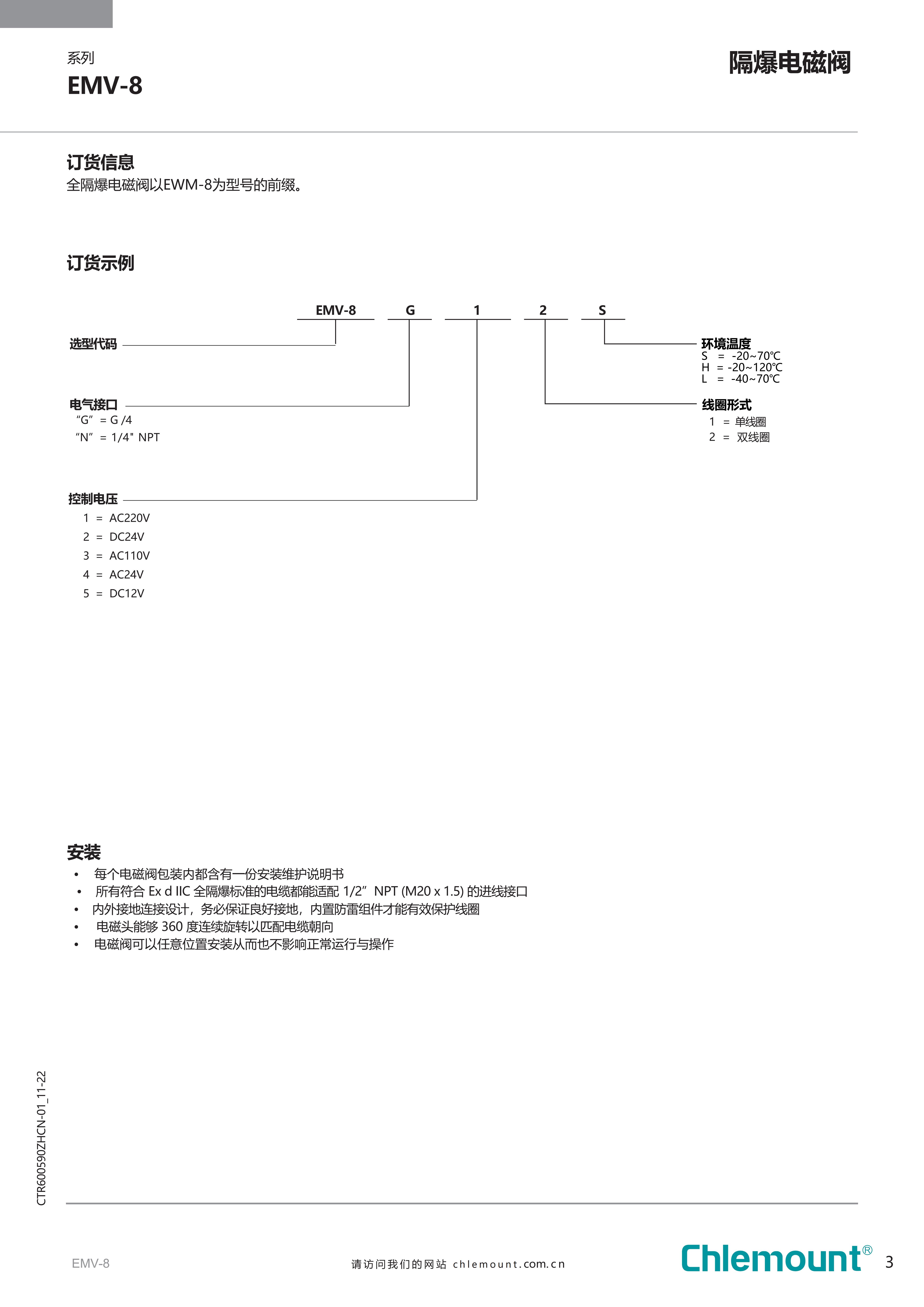
Chlemount全新的隔爆电磁阀,依据国际标准,电磁阀包含了NAMUR板接式、管接式、2/3、2/5四种功能,可直接控制单作用和双作用气动执行器,并且配置了安全可靠的手动装置,是一款真正的多功能电磁阀。由于其特有的气路结构,电磁阀体上所有呼吸孔均与排气孔相通,阀体表面无呼吸孔与大气相通,能有效地防止外界液体、尘土和杂质进入阀体,特别适合在室外或粉尘污染严重的工作环境中使用。
产品特点
电磁头符合危险环境应用:
CCCEx 认证: GB/T 3836.1-2021,GB/T 3836.2-2021,GB/T 3836.31-2021.
依据NAMUR国际标准,EMV-8系列电磁阀包含了NAMUR板接式、管接式、2/3、2/5四种功能。
可直接控制单作用和双作用气动执行器,并且配置了安全可靠的手动装置
电磁阀体上所有呼吸孔均与排气孔相通,阀体表面无呼吸孔与大气相通,能有效地防止外界液体、尘土和杂质进入阀体,特别适合在室外或粉尘污染严重的工作环境中使用
先导式阀体


